欢迎光临
手机网站
手机扫描访问
|
联系我们:150-2171-6506
|
加入收藏
|
-
当前位置:
上海韩东机械科技有限公司 >
产品中心 >
气动离合器 > 牙嵌式离合器HTP原理图|齿合式气动离合器
牙嵌式离合器HTP原理图|齿合式气动离合器
| 产品型号: |
HTP |
| 品 牌: |
HD韩东 |
|
|
| 所 在 地: |
上海松江区 |
| 更新日期: |
2025-12-02 |
| | 品牌:HD韩东 | | 型号:HTP | | 材料:铸铁 | |
| | 规格:见下图 | | 扭矩:200+ | | 适用范围:工业传动 | |
| | 重量:10 | | 转速:1000 | | 适用范围:工业传动 | |
气动牙嵌式离合器HTP又名齿式离合器、齿合式离合器,HTP型气动离合器是由2枚全周带齿轮的圆盘在空气压作用下咬合,不滑脱,确实结实;虽然外形小巧但可以传达大扭矩,可在狭小空间应用。需要注意的是齿形类离合器在安装时,必须保证端面齿之间有一定间隙,使空转时无磨齿现象,但不得大于δ值。
HTP型牙嵌离合器特点
- 高转矩,不滑落
因由齿轮的咬合来传达转矩,尽管小型,却无滑落,传达巨大的扭矩。
- 传达的转矩基本为一定值
因不受安装误差的影响,传达的扭矩和旋转数无关,基本为一定值。
- 组装简单
因为是一体化构造,安装时,不需要调齐齿芯。
- 优越的应答性能
因连接和放开,均在瞬间动作,齿轮的飞转也并无损伤,寿命长。
- 可能高速连接
因是气压作动,所以和电磁式比较,可以实现高速旋转时的连结。
产品选型参考图
产品使用说明
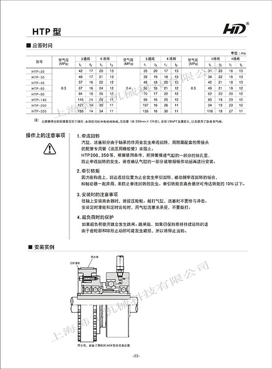
- 牵连回转
气缸,活塞部分由于轴承的作用发生的牵连回转。用附属配套的带接头的配管专用管(油压用橡胶管)来阻止。HTP200,350等根据使用条件,把弹簧插进气缸的一部分销孔里。
- 牵引转矩
因为在结构上,到达连接位置为止会发生牵引回转,被动侧前脸会转的场合,和制动器一起并用,来防止牵连回转的发生。牵引转矩在离合器所可传达转矩的10%以下。
- 安装时的注意事项
往轴上安装离合器时,请按压轮毂。敲打气缸,活塞式不要给与冲击。安装定时滑落和定时齿轮时,用气缸活塞来承受,不要敲打。如果超负荷使用就会发生跳闸。跳闸后,如果仍保持原样持续运转的话由于齿轮部和球形止动部可能发生破损,所以请停止运转。
牙嵌式离合器应用范围:
橡胶、轮胎成型机,输送机等低速设备,自动化设备,食品机械,印刷包装机械、瓦楞机械、线缆设备、纺织机械、橡胶机械、轮胎机械、流水线、合板机械,
品牌介绍
“韩东”在中国是早期开发动力传动装置气动离合器及制动装置气动刹车的公司之一,现在生产的齿型类气动离合器,通轴类离合器刹车在各种工业机械广泛应用,为了适应高速发展的工业机械和设备行业,本公司一直致力于新产品的研究和开发。特别是本公司时刻铭记离合器和刹车的缺点会给使用者带来巨大损失,所以自”韩东“成立的那天起一直坚持努力生产出更高品质的产品。经过多年努力,我公司离合器刹车已在工业各种机械,船舶业使用,我们的目的很简单,只要我们的产品能对客户提供帮助,我们会努力耐心倾听顾客的要求和建议,期待您与”韩东“的合作。
售后服务:
我们公司的产品均保质一年,且良好的售后服务及技术指导,是我们一贯秉持的售后宗旨,如有问题,及时联系我们,我们会在***时间给您一个满意的售后,解决一切问题,请放心使用。
上海韩东机械科技有限公司 致力于“韩东、韩国HAwers 、美国伊顿”品牌离合器、制动器的推广及销售,务求给用户更完美的服务!
联系方式: QQ:---
公司地址:上海市松江区伴亭路488号
更多信息:http://www.handongjx.com
-